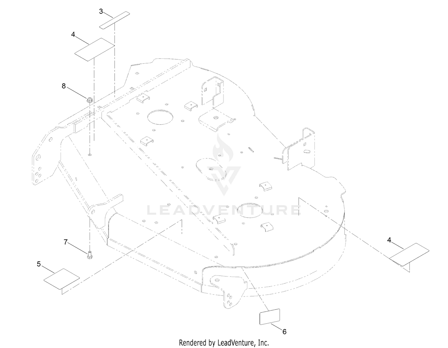
Exmark QTE452CEM42200 S N 400 000 000 and Up 42 Inch Deck Decal Assembly No. 131 3610 View larger
  • Snapper spx 42 belt diagram clearance
  • Ztx110 snapper 2024
  • Snapper spx 42 belt diagram clearance
  • Snapper 2691020 00 SPX2042 42 20 HP SPX Lawn Tractor 150 Series Parts Diagrams
  • Amazon Mower Deck Belt Compatible with Snapper Simplicity Ferris 1732956 1732956SM NXT200 with 46 and 52 Deck Regent with 44 46 and 50 Deck Patio Lawn Garden

Snapper spx 42 belt diagram clearance

Snapper spx 42 belt diagram clearance, Exmark QTE452CEM42200 S N 400 000 000 and Up 42 Inch Deck Decal Assembly No. 131 3610 clearance

$84.00

SAVE 50% OFF

$42.00

- +

Add to wishlist


Frasers Plus

$0 today, followed by 3 monthly payments of $14.00, interest free. Read More


Snapper spx 42 belt diagram clearance

Exmark QTE452CEM42200 S N 400 000 000 and Up 42 Inch Deck Decal Assembly No. 131 3610

Hydraulicpump Drive Belt Replacement Snapper S50XBS2648 Operator s Manual Page 37 ManualsLib

Ztx110 snapper 2024

Snapper SPX275 Garden Tractor PP Estates

Snapper 2691020 00 SPX2042 42 20 HP SPX Lawn Tractor 150 Series Parts Diagrams

Amazon Mower Deck Belt Compatible with Snapper Simplicity Ferris 1732956 1732956SM NXT200 with 46 and 52 Deck Regent with 44 46 and 50 Deck Patio Lawn Garden

Description

Product Name: Snapper spx 42 belt diagram clearance
Snapper Rasen und Gartentraktoren SPX2242 2691184 00 Snapper 42 SPX Lawn Tractor 22 HP 150 Series 42 Mower Deck Clutch Group Spareparts clearance, Snapper 2691345 00 SPX2342 42 23 HP SPX Lawn Tractor 150 Series Parts Diagrams clearance, Snapper 2691452 01 SPX2542 42 Fabricated 25 HP SPX Lawn Tractor 150 Series Parts Diagram for 42 107cm Mower Deck Housing Arbor Blade Group clearance, Snapper SPX 2346 2691557 00 Snapper LT150 Series 46 Lawn Tractor 23hp 46 Mower Deck Clutch Group Parts Lookup with Diagrams PartsTree clearance, Mower belt conversion update kit 1687782 for Snapper SPX 42 Simplicity Regent eBay clearance, SPX Series Riding Lawn Mowers Snapper clearance, Replace Cutter Deck Belt on Snapper SPX Riding Lawn Mower YouTube clearance, Need help with Snapper SPX2548 lawn tractor problem My Tractor Forum clearance, Snapper 2691345 00 SPX2342 42 23 HP SPX Lawn Tractor 150 Series Parts Diagram for Decals Group clearance, SPX Series Riding Lawn Mowers Snapper clearance, Snapper Rasen und Gartentraktoren SPX2042 2691020 Snapper 42 Lawn Tractor 20 HP SPX 150 Series Decals Group 42 46 52 Deck Listas de piezas de repuesto y dibujos clearance, Snapper LT200 Deck and Drivebelt Replacement HOW TO QUICK TIPS Simplicity Toro Simple Job and Tools YouTube clearance, SPX 2342 2691556 00 Snapper LT150 Series 42 Lawn Tractor 23hp Parts Lookup with Diagrams PartsTree clearance, Spare parts Partlist MOWER DECK 92 MOWER DECK 92 2005 13 2939 98 Mower Deck 92 Cm Blades sGarden.cz clearance, SPX 150 Series 2691020 PDF clearance, Snapper 2691556 00 SPX2342 42 23 HP SPX Lawn Tractor 150 Series Parts Diagram for Transmission Group clearance, SPX110 ride on mower Snapper Mowers clearance, RC205BL Tarter Parts clearance, Anyone know the Make of this deck r lawnmowers clearance, Mower Belt Replacement Snapper 150Z ZTR Series Operator s Manual Page 29 ManualsLib clearance, Snapper SPX 2542 2691663 00 Snapper LT150 Series 42 Lawn Tractor Fab Deck 25hp Engine Group Parts Lookup with Diagrams PartsTree clearance, Snapper SPX110 42 Side Discharge Tractor Golf Car Associates clearance, SOLVED I have a 52 snapper pro mower the main drive belt Garden Fixya clearance, How to replace deck belt YouTube clearance, Exmark QTE452CEM42200 S N 400 000 000 and Up 42 Inch Deck Decal Assembly No. 131 3610 clearance, Hydraulicpump Drive Belt Replacement Snapper S50XBS2648 Operator s Manual Page 37 ManualsLib clearance, Ztx110 snapper 2024 clearance, Snapper SPX275 Garden Tractor PP Estates clearance, Snapper 2691020 00 SPX2042 42 20 HP SPX Lawn Tractor 150 Series Parts Diagrams clearance, Amazon Mower Deck Belt Compatible with Snapper Simplicity Ferris 1732956 1732956SM NXT200 with 46 and 52 Deck Regent with 44 46 and 50 Deck Patio Lawn Garden clearance, Answered Snapper SC18533 33 18.5HP Zero Turn Mower 7800762 Questions Issues Fixya clearance, SPX110 ride on mower Snapper Mowers clearance, Victa Spx 23 42 F Ride On Mower Spx2342F SES Direct Ltd clearance, Tech Tips Tuff Torq oil service procedure for Strider K46 transaxles clearance, Anyone know the Make of this deck r lawnmowers clearance.

Snapper spx 42 belt diagram clearance